हमें ईमेल करें
समाचार

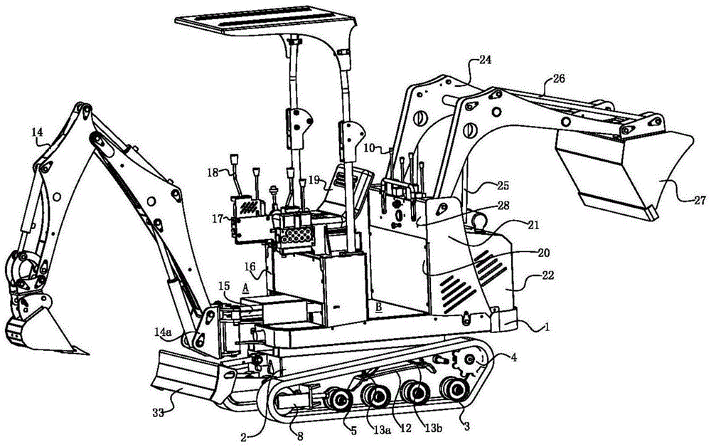
मिनी उत्खनन का निर्माण और रखरखाव

मिनी उत्खनन का निर्माण और रखरखाव


मिनी उत्खनन निर्माण नवाचार और बुद्धिमान रखरखाव: बड़ी परियोजनाओं को ले जाने वाले छोटे शरीर


1 of मिनी उत्खनन के निर्माण का विश्लेषण: चार आयामी तकनीक 'अंतरिक्ष जादूगर' को फिर से आकार देती है

चेसिस और वॉकिंग सिस्टम:


टेललेस टर्निंग डिज़ाइन: SANY SY18U जैसे मॉडल एक "शून्य पूंछ प्रोट्रूमेंट" संरचना को अपनाते हैं, जिसमें केवल 0.86 मीटर की एक पूंछ की मोड़ है, जो दीवारों से टकराए बिना संकीर्ण सुरंगों में 360 ° मुक्त रोटेशन की अनुमति देता है। इसी समय, हमारे 0.8 टन मिनी उत्खननकर्ता भी 1.1 मीटर की एक मोड़ त्रिज्या प्राप्त कर सकते हैं, जिससे संकीर्ण स्थानों में मुफ्त और लचीले संचालन की अनुमति मिलती है।


समायोज्य ट्रैक फ्रेम: ट्रैक गेज को स्वतंत्र रूप से समायोजित किया जा सकता है (जैसे कि SY16C 980-1350 मिमी विस्तार और संकुचन का समर्थन करता है), जिससे 1 मीटर की संकीर्ण गलियों को पार करना आसान हो जाता है। रबर ट्रैक ग्राउंडिंग दबाव 25kpa जितना कम है, पक्की जमीन की रक्षा करता है।


सेल्फ लुब्रिकेटिंग बीयरिंग: यानमार चेसिस पारंपरिक बॉल बेयरिंग के बजाय इग्लिडुर जी सीरीज़ प्लास्टिक बीयरिंग का उपयोग करता है, जो एंटी फाउलिंग, एंटी रस्ट और रखरखाव मुक्त हैं, सेवा जीवन को तीन बार बढ़ाते हैं।




पावर और हाइड्रोलिक सिस्टम:


दोहरी मोड पावर क्रांति: छोटा उत्खनन कुबोटा KX019 को अपनाता है, जो डीजल/इलेक्ट्रिक वन क्लिक स्विचिंग का समर्थन करता है, 20kWh बैटरी पैक 8-घंटे की रेंज प्रदान करता है, और इनडोर ऑपरेशन शोर 66 डेसिबल के रूप में कम है।


इंटेलिजेंट हाइड्रोलिक कंट्रोल: लोड संवेदनशील तकनीक (जैसे कि शेंगंग SK35SR-6), 1.8%की प्रवाह वितरण सटीकता, 0.7 सेकंड की समग्र कार्रवाई प्रतिक्रिया गति और 22%की ऊर्जा खपत में कमी को प्राप्त करता है।




काम करने वाले उपकरणों की वृद्धि:


पहनें प्रतिरोधी संरचना: कॉम्पैक्ट खुदाई के उदारता के स्पष्ट संयुक्त ने गर्मी उपचार (कठोरता HRC55+) को कार्बोरेजिंग किया है, और बाल्टी को हार्डोक्स 500 वियर-रेसिस्टेंट प्लेट (हार्डनेस HB500) के साथ वेल्डेड किया जाता है, जो 30%तक अपनी सेवा जीवन का विस्तार करता है।


साइड मूविंग आर्म पेटेंट: कुबोटा U-15-3s 595 मिमी के बाएं विचलन/350 मिमी के दाएं विचलन को प्राप्त करता है, और दीवार पर चढ़कर खुदाई को शरीर को स्थानांतरित करने की आवश्यकता नहीं होती है।


रोटरी डिवाइस, 360 ° ऑल-राउंड ऑपरेशन, विभिन्न कार्य वातावरण के अनुकूल होने के लिए लचीला।


मानव कंप्यूटर इंटरैक्शन अपग्रेड


रोल ओवर रेसिस्टेंट कैब: आरओपी/एफओपीएस (16 टन स्टेटिक प्रेशर के लिए प्रतिरोधी) द्वारा प्रमाणित, फ्लोटिंग सीटों, एलसीडी टच स्क्रीन और एआई सराउंड व्यू मॉनिटरिंग से लैस, ब्लाइंड स्पॉट को 40%तक कम करना।


2 and रखरखाव और दैनिक रखरखाव:

दैनिक रखरखाव का सुनहरा नियम


हाइड्रोलिक तेल प्रबंधन: गर्मियों में एंटी-वियर हाइड्रोलिक तेल नंबर 68 और सर्दियों में कम चिपचिपाहट तेल संख्या 32 का उपयोग करें। पंप और वाल्व पहनने को रोकने के लिए नियमित रूप से एनएएस () स्तर 8) की स्वच्छता की जांच करें।


बटर फिलिंग साइकिल: रोटरी असर के लिए हर 10 दिनों में ग्रीस को इंजेक्ट करें, और पिन शाफ्ट से टकराने से बचने के लिए काम करने वाले डिवाइस के काज बिंदु के लिए हर 4-8 घंटे में उच्च दबाव वाले ग्रीस को इंजेक्ट करें।




प्रमुख घटक जीवन विस्तार तकनीक:


ट्रैक सिस्टम: बहुत ढीले (कूदने वाले दांत) या बहुत तंग (पहनने में तेजी) से बचने के लिए तनाव को समायोजित करें; सहायक पहिया की सीलिंग विफलता को रोकने के लिए नियमित रूप से बजरी को साफ करें।


"पहनने वाले लोहे के त्रिभुज" का रखरखाव:

दरारें/500h के लिए जूता निरीक्षण ट्रैक करें

ड्राइव स्प्रोकेट दांत ग्राउंड फ्लैट हैं और तुरंत बदल दिए गए हैं

अक्रिय पहिया सील तेल रिसाव की मरम्मत करने की आवश्यकता है

स्टॉवर्स कैट के आंकड़ों के अनुसार, 80% चेसिस विफलताएं इन तीन प्रकार के घटकों के कारण होती हैं।


चरम काम करने की स्थिति से निपटने के लिए दिशानिर्देश:


उच्च ऊंचाई संचालन: मिनी खुदाई के टर्बोचार्ज्ड इंजन में 15%का बिजली मुआवजा होता है, और हाइड्रोलिक सिस्टम प्रवाह हानि को रोकने के लिए एक दबाव मुआवजा वाल्व से लैस है।

वाटर वैडिंग ऑपरेशन: इतालवी बाढ़ बचाव में, आधुनिक HX35AZ ने एक सील सर्किट मॉड्यूल के माध्यम से 0.8 मीटर की गहराई हासिल की।


दीर्घकालिक भंडारण मानक:


एक सूखे कमरे में पार्क, ग्राउंडिंग दबाव को कम करने के लिए पटरियों का समर्थन करें;

संक्षेपण को रोकने के लिए ईंधन टैंक भरें, सील की उम्र बढ़ने को रोकने के लिए सभी हाइड्रोलिक सिलेंडर को वापस लें;

सर्किट बोर्ड को नम होने से रोकने के लिए हर 3 महीने में एक बार शुरू करें।


3 、 तकनीकी सीमा: औद्योगिक पारिस्थितिकी का विद्युतीकरण और बुद्धिमान पुनर्गठन

शक्ति क्रांति:


मॉड्यूलर बैटरी: हिताची ZX55U-6EB 6 घंटे में 10 घंटे के ऑपरेशन को पूरा करने के लिए 2-घंटे के फास्ट चार्जिंग के साथ वाणिज्यिक पावर और बैटरी की दोहरी ड्राइव का समर्थन करता है।


हाइड्रोजन ऊर्जा परीक्षण: एचडी हुंडई ने शून्य कार्बन निर्माण प्राप्त करने के लिए एक हाइड्रोजन ईंधन इंजन (एचएक्स 12) विकसित किया है।


भविष्य कहनेवाला रखरखाव:


IoT रिमोट डायग्नोसिस: SANY SY35U हाय मेट सिस्टम से लैस है, जो वास्तविक समय में तेल के तापमान और कंपन डेटा का विश्लेषण करता है, जिसमें 92%की गलती सटीकता दर के साथ।


AR रखरखाव सहायता: Kaise माइक्रो उत्खननकर्ता छोटे उत्खननकर्ताओं के लिए वीआर ऑपरेशन प्रशिक्षण प्रदान करता है, 30 दोष परिदृश्यों का अनुकरण करता है और 40%तक रखरखाव दक्षता में सुधार करता है।


4 、 व्यावहारिक गवाह: प्राचीन घर की बहाली से लेकर खनन से निपटने तक

Taizhou में एक मिंग और किंग राजवंश विद्वान के निवास की बहाली: कुबोटा U-15-3s छोटे खुदाई ने एक 0.85 मीटर मेहराब के माध्यम से एक भूमिगत पाइप खाई की खुदाई को पूरा किया, और बूम के पार्श्व आंदोलन समारोह ने प्राचीन दीवार को 95% इंटेक्ट दर के साथ संरक्षित किया।


चिली कॉपर माइन में अंडरग्राउंड ऑपरेशन: एक संशोधित प्रबलित कैब के साथ एक कॉम्पैक्ट उत्खननकर्ता बिना किसी खराबी के 300 घंटे तक लगातार संचालित होता है, जिसके परिणामस्वरूप लोडिंग लागत में 23% की कमी होती है।


टोक्यो नाइटटाइम नगरपालिका निर्माण: SANY SY19E मिनी उत्खनन का शुद्ध इलेक्ट्रिक संस्करण शहर के "निर्माण समय खिड़की" की समस्या को हल करते हुए, 66 डेसिबल पर चुपचाप संचालित होता है।


निष्कर्ष: एक छोटा शरीर एक बड़ा भविष्य वहन करता है

0.8-टन अल्ट्रा-पतली मॉडल से 4-टन भारी-पतले योद्धा तक, छोटे उत्खनन सटीक निर्माण, विविध ऊर्जा स्रोतों और बुद्धिमान रखरखाव के ट्रिपल विकास से गुजर रहे हैं, वैश्विक निर्माण प्रतिमान को फिर से आकार दे रहे हैं। भारतीय बाजार में 3100 इकाइयों और 2025 तक इलेक्ट्रिक मोटर्स के लिए 40% की अनुमानित पैठ दर से अधिक वार्षिक बिक्री के साथ, "छोटे से लाभ प्राप्त करने के लिए" का यह तकनीकी क्रांति ट्रिलियन डॉलर के बाजार में एक सुनहरा अवसर को उजागर करने के लिए नियत है।


उद्योग रखरखाव का अनुभव:

कॉम्पैक्ट उत्खनन के लिए, सटीक डिजाइन बैकबोन है, जबकि बुद्धिमान रखरखाव जीवन के लिए है, 1 युआन द्वारा रखरखाव की लागत को बचाने और 10 युआन द्वारा मरम्मत के खर्च को कम करना।



सम्बंधित खबर
मुझे संदेश दे देना
टेलीफोन
+86-18153282520
गतिमान
पता
चांगजियांग वेस्ट रोड, हुआंगदाओ जिला, क़िंगदाओ शहर, शेडोंग प्रांत, चीन
X
हम आपको बेहतर ब्राउज़िंग अनुभव प्रदान करने, साइट ट्रैफ़िक का विश्लेषण करने और सामग्री को वैयक्तिकृत करने के लिए कुकीज़ का उपयोग करते हैं। इस साइट का उपयोग करके, आप कुकीज़ के हमारे उपयोग से सहमत हैं। गोपनीयता नीति
अस्वीकार करना स्वीकार करना